Marks USA
Marks USA Series 2 and 3 Mortise Deadlocks
Don't see the quantity, finish, or function you are looking for? We can mix, match and "BUILD" the item option set you are looking for - Just call us at 860-537-1328 and our sales staff will assist !
Marks USA Series 2 and 3 Mortise Deadlocks
Features
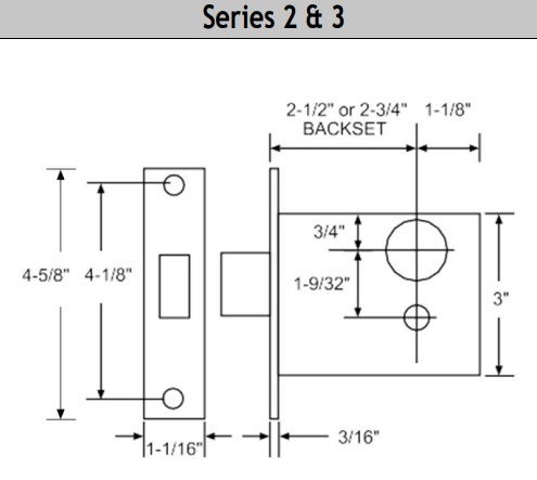
• Backset: Series 2: 2-1/2”; Series 3: 2-3/4”
• Bolt throw: 1”
• Case: High pressure cast
• Front: 1-1/16” x 4-5/8” flat or 3° bevel
• Cylinder: Solid brass cylinder, 6-pin, “C” keyway, 2 keys
• Strike: #4035 Included
Marks 2 and 3 Deadlock Dimensions

Marks Deadlock Table of Functions

- Option:Choose Finish (What is this? Click here to see our detailed Door Hardware Finish Guide):
- https://blog.locksandsafes.com/2020/07/28/lock-and-door-hardware-finishes/